The Money Pit !!
Moderator: Moderators
-
- Posts: 73
- Joined: Sun May 16, 21 4:51 pm
- Location: Atherstone Warks
The Money Pit !!
Hi folks,
I haven't been on for a while, the usual life issues.
I need assistance with the money pit... 73 Dodge Dart 318. I have had the car rewired, Fitech fuel injection fitted, two lots of bodywork etc etc.
I finally got to drive it two months ago whilst moving house. Drove it to the new house put it on the drive ace I thought. Went to move it....click click nowt. Checked battery that was OK checked visible cables all good. Tried it in neutral still the same. Electrician came " it's the starter motor". Starter motor ordered then found the upper bolt had been replaced with a stud and nut I could get off so I ended paying for that to be changed. Starter changed guess what ? Click click.... anyone in the Warwickshire area that people can recommend to come and look at the car ?
Thanks for any assistance
I haven't been on for a while, the usual life issues.
I need assistance with the money pit... 73 Dodge Dart 318. I have had the car rewired, Fitech fuel injection fitted, two lots of bodywork etc etc.
I finally got to drive it two months ago whilst moving house. Drove it to the new house put it on the drive ace I thought. Went to move it....click click nowt. Checked battery that was OK checked visible cables all good. Tried it in neutral still the same. Electrician came " it's the starter motor". Starter motor ordered then found the upper bolt had been replaced with a stud and nut I could get off so I ended paying for that to be changed. Starter changed guess what ? Click click.... anyone in the Warwickshire area that people can recommend to come and look at the car ?
Thanks for any assistance
Re: The Money Pit !!
sounds like, not enough current to turn the starter
that's caused by either a poor starter to battery lead
or a poor earth strap between engine and chassis
or a poor negative lead from battery to chassis
or the positive clamp on the battery is an aftermarket bolt on one and it may well look shiny and nice, but the area under the sheath where it clamps onto its fat wire is corroded and green and you can't see it....
enough current to sling the pinion forward but not enough to turn it either into engagement, or once engaged with the ring gear...
might not be your problem. but I'd undo and clean, and do them up again, before spending any more money
if you do have earthing issues your motor is earthing through the throttle cable wire the radiator and potentially the kick down linkage
so if it turns out to be this, check the throttle cable between the peddle and the metal ferrule that fits into the firewall
other things dodgy neutral switch, or ignition switch...
dave
that's caused by either a poor starter to battery lead
or a poor earth strap between engine and chassis
or a poor negative lead from battery to chassis
or the positive clamp on the battery is an aftermarket bolt on one and it may well look shiny and nice, but the area under the sheath where it clamps onto its fat wire is corroded and green and you can't see it....
enough current to sling the pinion forward but not enough to turn it either into engagement, or once engaged with the ring gear...
might not be your problem. but I'd undo and clean, and do them up again, before spending any more money
if you do have earthing issues your motor is earthing through the throttle cable wire the radiator and potentially the kick down linkage
so if it turns out to be this, check the throttle cable between the peddle and the metal ferrule that fits into the firewall
other things dodgy neutral switch, or ignition switch...
dave
The Greater Knapweed near the Mugwort by the Buckthorn tree is dying
-
- Posts: 73
- Joined: Sun May 16, 21 4:51 pm
- Location: Atherstone Warks
Re: The Money Pit !!
I'd have hoped having a full rewire that no issues like this would be happening.... I thought the neutral switch but, I've tried it in park and neutral with the same effect.
I could do with someone local to assist it's getting beyond me tbh
I could do with someone local to assist it's getting beyond me tbh
Re: The Money Pit !!
I feel your pain - my car has tested me and then some over the years - but you will get past it.
Starter motor only has so many things between it and the batter. If yo get the click, as dave says, something is connected.
A lot of the time its earth earth earth. I ended up running straps to engine, straps to trans, straps to headers - the works.
If you want to eliminate the key circuit just jump the starter relay with an insulated screwdriver see if it kicks - That should give you pretty much a batter-to-starter direct link.
90% its gunk or earth...
Starter motor only has so many things between it and the batter. If yo get the click, as dave says, something is connected.
A lot of the time its earth earth earth. I ended up running straps to engine, straps to trans, straps to headers - the works.
If you want to eliminate the key circuit just jump the starter relay with an insulated screwdriver see if it kicks - That should give you pretty much a batter-to-starter direct link.
90% its gunk or earth...
"Cum homine de cane debeo congredi." Woof.
Current Charger status - "Working and awesome"
Current Charger status - "Working and awesome"

-
- Posts: 73
- Joined: Sun May 16, 21 4:51 pm
- Location: Atherstone Warks
Re: The Money Pit !!
Unfortunately it's still not doing owt when the relay is bridged... I'm starting to get that the engine is locked...
Re: The Money Pit !!
Unlikely. Put a big wrench on the front pulley and turn it. (just to prove)
Dead starters are not unheard of - I have had them pop like light bulbs too. You got the old one ?
Dead starters are not unheard of - I have had them pop like light bulbs too. You got the old one ?
"Cum homine de cane debeo congredi." Woof.
Current Charger status - "Working and awesome"
Current Charger status - "Working and awesome"

-
- Posts: 73
- Joined: Sun May 16, 21 4:51 pm
- Location: Atherstone Warks
Re: The Money Pit !!
I went out earlier on a put a socket and ratchet on it and it was as tight as a #@%£÷×+ . I still have the old starter and the new one is a high torque one.
Re: The Money Pit !!
Pull the plugs and try it - it will remove the compression.
For the record, I still think Dave is likely on the money. He's a clever fella
For the record, I still think Dave is likely on the money. He's a clever fella
"Cum homine de cane debeo congredi." Woof.
Current Charger status - "Working and awesome"
Current Charger status - "Working and awesome"

-
- Posts: 73
- Joined: Sun May 16, 21 4:51 pm
- Location: Atherstone Warks
Re: The Money Pit !!
I shall have another bash tomorrow weather permitting
Re: The Money Pit !!
If your starter is new then it may not be the starter, just the wiring to it.
I had that problem, got to a show all good and then time to go home, click and nothing so checked and had someone hit the starter while trying again and nothing.
Well got home on the back of recovery and ordered a new starter. fitted the new one and while under the car and the main cable between battery and starter was loose it showed the problem. I pulled the cable out and YEP where it goes through the exhaust manifold to the starter it was bear and green in place of copper with insulation.
I had that problem, got to a show all good and then time to go home, click and nothing so checked and had someone hit the starter while trying again and nothing.
Well got home on the back of recovery and ordered a new starter. fitted the new one and while under the car and the main cable between battery and starter was loose it showed the problem. I pulled the cable out and YEP where it goes through the exhaust manifold to the starter it was bear and green in place of copper with insulation.
Re: The Money Pit !!
if you drove it there, unless there is evidence of catastrophic failure of some internal part as you switched it off, it was "stiff", and started, to get you there and its still "stiff" now....if it has decent compression and nice rings, yes it will be stiff. gonna take an 18 inch breaker and a bit of a pull to turn it, and you will have to wait for the compression to bleed off before pulling again.
if its really stiff did something fall out of your new EFI and get stuck? held a valve open, allowed a pushrod to stand on the edge of a lifter or up the backend of a rocker blocking rotation via the cam? massive fluke
lets hope not.....
Halfords does a fat black starter lead in an appropriate length to run from battery to the stud on the solenoid with enough slack to avoid it being taught against any part of the exhaust. standard route or up to the the bulkhead tied down and back in a short run over to the starter
you will also have a small lead with a spade on it that runs from the starter solenoid to the coil end of the ballast resistor
check it has not pulled off and is shorting or is lying on the exhaust and partially shorted to a rusty header
this is your 12 volt ignition feed for starting. pumps 12 volts from the starter solenoid circuit direct to coil, only when the starter is running. short that out and weird stuff happens 1) little power to coil 2) you shorted out a part of the starter solenoid bang-on at the moment you need full power to turn the motor over...
i ran with mine disconnected and taped up for years... and now i run a 12 volt coil so its irrelevant
a 73 may differ probably got the 4 pin ballast and mine is a 2 pin, but worth a check....
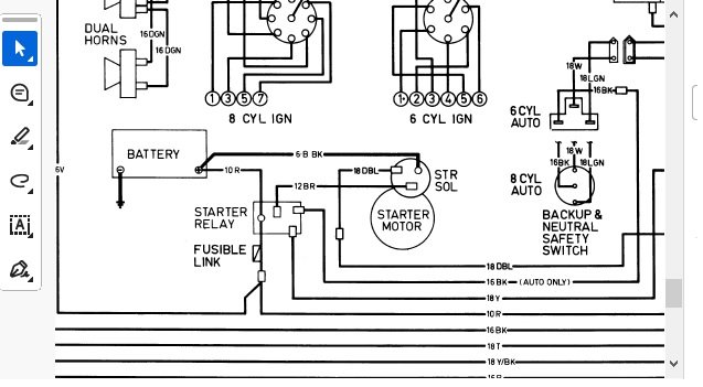
starter has big lead on stud a switch lead that runs off the starter relay to trigger the solenoid and potentially a second connector for the ignition feed or that feed may be a T off the switch lead.
on mine it runs across and into the main loom section that runs up the inner wing from the lights, battery and windscreen washer. It connects in about 8 inches from the bulkhead. labelled 18DBL , i.e fat-ish Dark Blue , the box in its run, is the junction into the loom. The run from the starter to there is prone to exhaust damage so they made it easily replaceable.
if its really stiff did something fall out of your new EFI and get stuck? held a valve open, allowed a pushrod to stand on the edge of a lifter or up the backend of a rocker blocking rotation via the cam? massive fluke

Halfords does a fat black starter lead in an appropriate length to run from battery to the stud on the solenoid with enough slack to avoid it being taught against any part of the exhaust. standard route or up to the the bulkhead tied down and back in a short run over to the starter
you will also have a small lead with a spade on it that runs from the starter solenoid to the coil end of the ballast resistor
check it has not pulled off and is shorting or is lying on the exhaust and partially shorted to a rusty header
this is your 12 volt ignition feed for starting. pumps 12 volts from the starter solenoid circuit direct to coil, only when the starter is running. short that out and weird stuff happens 1) little power to coil 2) you shorted out a part of the starter solenoid bang-on at the moment you need full power to turn the motor over...
i ran with mine disconnected and taped up for years... and now i run a 12 volt coil so its irrelevant
a 73 may differ probably got the 4 pin ballast and mine is a 2 pin, but worth a check....
starter has big lead on stud a switch lead that runs off the starter relay to trigger the solenoid and potentially a second connector for the ignition feed or that feed may be a T off the switch lead.
on mine it runs across and into the main loom section that runs up the inner wing from the lights, battery and windscreen washer. It connects in about 8 inches from the bulkhead. labelled 18DBL , i.e fat-ish Dark Blue , the box in its run, is the junction into the loom. The run from the starter to there is prone to exhaust damage so they made it easily replaceable.
- Attachments
-
- starter.jpg (43.83 KiB) Viewed 508 times
The Greater Knapweed near the Mugwort by the Buckthorn tree is dying
-
- Posts: 73
- Joined: Sun May 16, 21 4:51 pm
- Location: Atherstone Warks
Re: The Money Pit !!
Cheers Dave , I'll have to send back to auto electrician who re wired it. The ballast resistor was removed as part of the rewire. I've checked all the obvious cables to no change in how it still clicks... its almost like a dead battery but, changing the battery and putting a jump pack on has mad no difference.
Re: The Money Pit !!
ah ok
lack of ballast is not a problem, i presume you run 12 volt coil and won't need it or the 12 volt starter feed... less to go wrong..
so how is you starter motor wired?
do you have a starter relay and a stater motor? or do you have a non standard starter that has both relay and solenoid function in one unit?
if you use a starter like a standard chrysler starter or a later Chrysler/Denso one, without the relay on the inner wing in place
then the load put on the ignition switch by directly powering the starter solenoid will burn out the ignition switch in the START position.
early 60s A bodys used this set up as standard and had a unique, in chrysler terms, starter, with the relay action integrated into the starter along with the solenoid. Retrofitting a later starter to these 61 62 63 models needs you to add a relay in the later standard position. pretty sure most would have been updated. irrelevant to you mind...i was just chuntering on
there is also ,depending on starter design, a chance that the starter would run constantly, after all it is connected to the battery by a big fat cable. But that just depends on if the solenoid action in that starter also switches on power to the motor. If it does you can accidentally wire a car in a manner that doesn't involve the stater relay. Send power direct from the ignition switch to the spade on the starter solenoid it will work but eventually burn something out
the ignition switch and wiring would need to be robust enough.
so i guess what i'm saying is, has your auto electrician wired your car in a manner that assumes that the starter you have does not need a starter relay, when actually it does need one?
Dave
lack of ballast is not a problem, i presume you run 12 volt coil and won't need it or the 12 volt starter feed... less to go wrong..
so how is you starter motor wired?
do you have a starter relay and a stater motor? or do you have a non standard starter that has both relay and solenoid function in one unit?
if you use a starter like a standard chrysler starter or a later Chrysler/Denso one, without the relay on the inner wing in place
then the load put on the ignition switch by directly powering the starter solenoid will burn out the ignition switch in the START position.
early 60s A bodys used this set up as standard and had a unique, in chrysler terms, starter, with the relay action integrated into the starter along with the solenoid. Retrofitting a later starter to these 61 62 63 models needs you to add a relay in the later standard position. pretty sure most would have been updated. irrelevant to you mind...i was just chuntering on

there is also ,depending on starter design, a chance that the starter would run constantly, after all it is connected to the battery by a big fat cable. But that just depends on if the solenoid action in that starter also switches on power to the motor. If it does you can accidentally wire a car in a manner that doesn't involve the stater relay. Send power direct from the ignition switch to the spade on the starter solenoid it will work but eventually burn something out
the ignition switch and wiring would need to be robust enough.
so i guess what i'm saying is, has your auto electrician wired your car in a manner that assumes that the starter you have does not need a starter relay, when actually it does need one?
Dave
The Greater Knapweed near the Mugwort by the Buckthorn tree is dying
-
- Posts: 73
- Joined: Sun May 16, 21 4:51 pm
- Location: Atherstone Warks
Re: The Money Pit !!
Cheers Dave
good news... I went through all the main wires again..... scratched my head a bit undone all the earth's cleaned them replaced connectors that I thought were ropey. Still nowt turning over.... scratched my head a bit more ....had a brew started looking over the positive side. Retightened all the cables going to the positive terminal ( is a strange one with multiple holes for cables that are locked into place with hex bolts ) anyway there was movement in the main cable , not much only a couple of turns. Low a behold it started... the Fitech isn't playing a 100% ball with the idle speed all over the shop....be one step forward.
Now after doing some checks I'm hoping I'm not getting a head gasket issue.....

Now after doing some checks I'm hoping I'm not getting a head gasket issue.....
- Attachments
-
- 20250604_172551.jpg (115.31 KiB) Viewed 459 times
Re: The Money Pit !!
Its always the last place you look 
if you don't know the history of the motor..... who is to say that someone didn't mix up the 710/0IL cap with the radiator cap !!!
if you know the history of the motor yeah..looks a bit wrong
if it was stored as a bare, hot tanked and machined block, oiled and wrapped or coated in grease, and then built up you might expect some evidence of oilyness on the coolant side, once the coolant washes it through it will float to the top.
if its just an old engine and someone did a cylinder head gasket job on it with it in the car id expect some coolant and oil contamination. the oil is easy changed but what ends up in the coolant side may be harder to be rid of...
i.e history
check before you commit to the work... could be innocuous or might not be... .
run it till the thermostat opens and you see movement in the radiator
drain it. (hot)
when cool again good flush through with the hose
fill it with water only, its cheap
run it and see if it comes back.
if it doesn't come back drain it and then fill it with your favorite coolant mix..
my last head gasket work was only done because i didn't check before i committed to the work...
I was too hasty
Dave

if you don't know the history of the motor..... who is to say that someone didn't mix up the 710/0IL cap with the radiator cap !!!
if you know the history of the motor yeah..looks a bit wrong
if it was stored as a bare, hot tanked and machined block, oiled and wrapped or coated in grease, and then built up you might expect some evidence of oilyness on the coolant side, once the coolant washes it through it will float to the top.
if its just an old engine and someone did a cylinder head gasket job on it with it in the car id expect some coolant and oil contamination. the oil is easy changed but what ends up in the coolant side may be harder to be rid of...
i.e history
check before you commit to the work... could be innocuous or might not be... .
run it till the thermostat opens and you see movement in the radiator
drain it. (hot)
when cool again good flush through with the hose
fill it with water only, its cheap
run it and see if it comes back.
if it doesn't come back drain it and then fill it with your favorite coolant mix..
my last head gasket work was only done because i didn't check before i committed to the work...

Dave
The Greater Knapweed near the Mugwort by the Buckthorn tree is dying