Wiper motor

Moderator: Moderators

Post Reply
Steve Chapman
Posts: 1862
Joined: Wed Jan 10, 07 4:03 pm
Location: North Yorkshire

Wiper motor

Post by Steve Chapman »

Anyone fitted a 2 speed motor ,where once was a 3 speed.
Need some advice , 3 speed has four wires from bulkhead block to motor.
The 2 speed has three wires going into a block on the motor.
Just need to know what wire does what and which terminal on the 2 speed to connect to.
Thanks Steve.
User avatar
cadboy
Posts: 2309
Joined: Thu Mar 21, 13 5:05 pm
Location: Worcester

Re: Wiper motor

Post by cadboy »

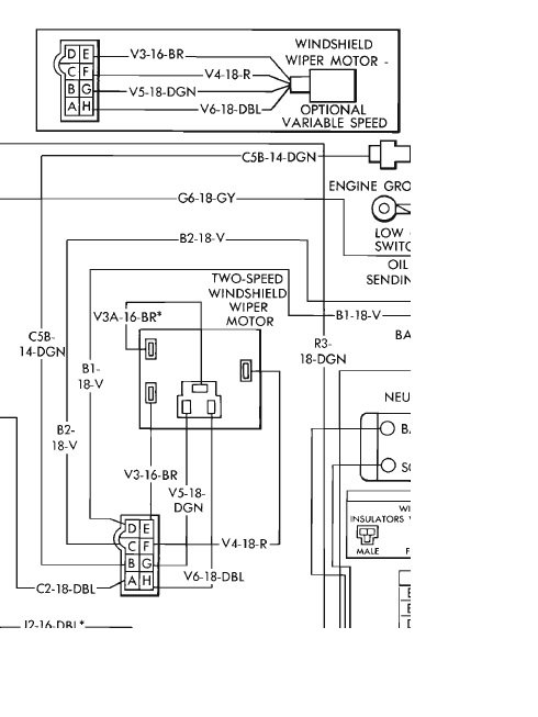
I hope this helps you, it is from 68 manual
Attachments
Wiper wiring.jpg
Wiper wiring.jpg (41.77 KiB) Viewed 1271 times
Steve Chapman
Posts: 1862
Joined: Wed Jan 10, 07 4:03 pm
Location: North Yorkshire

Re: Wiper motor

Post by Steve Chapman »

Thanks cadboy any info is appreciated, I can cross reference that with my 66 diagram. Just need to know where on the 2 speed motor they go, as I will be using separate crimps in stead of a plug.
Sure its an easy job, I have asked for info on the forbbodies forum in the States, .you,d think i was inventing the wheel.
Don't think they get the make it fit ethos.
User avatar
ScottyDave
Posts: 1674
Joined: Sun Mar 08, 15 9:38 pm
Location: Dave Evans: MMA 130, Worcestershire

Re: Wiper motor

Post by ScottyDave »

Unless it's bondo Steve they'll spend days on that ☺️
73 Charger 318
MMA-130
JinxJay
Posts: 254
Joined: Thu Jun 05, 14 12:17 pm

Re: Wiper motor

Post by JinxJay »

you don't have to change any wiring, you fit a two speed wiper and a two speed switch and it will work,
you cant mix switches or motors though, they have to be correct for each other,
Steve Chapman
Posts: 1862
Joined: Wed Jan 10, 07 4:03 pm
Location: North Yorkshire

Re: Wiper motor

Post by Steve Chapman »

Thanks Jinx Jay.
Post Reply